摘要:在新型电力系统稳步发展与“双碳"目标持续构筑背景下,“源荷互动新模式"成为电力系统能源转型的必然趋势,以多样性、灵活性为主要特征的电力负荷作为电力系统的重要组成部分,其预测场景分析及预测模型研究对新型电力系统的运行、维护和规划至关重要。为深入研究人工智能背景下负荷预测领域取得的进展与突破,以新型电力系统负荷预测为着眼点,总结归纳当今负荷预测必要性与实用性,分类介绍五个典型负荷预测场景,针对基于人工智能技术的智能负荷预测算法模型进行系统化分析,结合机器学习中的神经网络、深度学习算法、集成学习算法对比单一预测模型及组合预测模型的特点,详细阐述各类模型在负荷预测领域的应用现状,以期为“双碳"目标下新型电力系统源荷互动的新模式构建提供合理化参考。
关键词:无新型电力系统;人工智能;神经网络;负荷预测;机器学习;深度学习
0引言
随着“双碳"进程的不断深入推进,我国能源电力高质量发展面临新形式和新任务。电力系统作为能源系统的重要组成部分及“双碳"目标的主要参与者、推动者,其源网荷储等关键环节正在面临深刻变革。
传统电力系统的电源特性决定其有足够的转动惯量与发电灵活性,在保持稳定性的基础上能够实现发电侧紧随负荷波动变化的“源随荷动"发展模式。在新型电力系统构建过程中,电源呈现出多能化、多层化、多样化,风电、光伏等新能源占比逐步提升,其波动幅度与频次增加,大量的不确定性、随机性造成电网灵活调节能力日趋紧张,加之涉及储能材料及其成本的限制,电能依旧无法大量储存,进而导致弃电与缺电交互出现,因此源荷缺乏良性互动成为“双碳"背景下能源绿色转型中亟待解决的问题。构建以新能源为主体的新型电力系统,需从传统模式下“源随荷动"的稳定电网逐步转变为“源荷互动"的实时平衡、集中--分布协同控制的波动电网,以适应低惯量、弱灵活性的新型电力系统发电特性。
新能源的接入对电力系统调度计划的制定提出了新的挑战,面对新型电力系统背景下发电侧灵活性受限问题,要保障系统的稳定运行,用户侧必须深度参与系统运行的调节,多时间尺度、高精度的电力负荷建模、预测以及优化对新型电力系统的运行、维护和规划至关重要。
1电力系统负荷预测场景
首随着电网需求侧管理的日益普及与负荷调控的日趋深入,电力用户不再同过去一样仅仅作为被动的电力需求者,传统刚性负荷的特性逐渐转变,取而代之的柔性负荷成为电网负荷调控的重点对象。电力市场改革促使多种角色场景应运而生,负荷预测应用场景逐步多样化、层次化,合理分析负荷场景典型特征并为之选取精准预测模型成为当今电力产业发展的重要课题。不同负荷预测场景总结归纳如下:
1.1区域级负荷预测
负荷特性分析工作是电力系统负荷预测的重要前提,了解并掌握预测供电区域内的负荷特性变化有助于地区电网合理规划及优化调度。地区电网的区域级负荷特性分析与预测是我国负荷研究工作的重心。
以分区域分时段负荷曲线为研究对象,综合分析天气情况、社会经济发展态势、节假日等外部因素对于区域级负荷的影响,通过三次样条插值、影响因子赋值等计算方法将非量化因素转化为预测模型可以识别的数学量,挖掘负荷内在变化规律与外部影响因素间的非线性关系与复杂协同作用,细化分析区域级负荷特性并总结其发展变化态势。基于负荷特性分析,区域级负荷预测模型需将高维负荷数据通过算法分析训练及模型交互融合,充分挖掘数据间的潜在关联,进而得到精度相对较高的预测结果。
区域级负荷预测模型评价体系一般以相对误差、平均相对误差、均方根误差为基准,通过数值比较进行模型预测效果判断。具体指标计算方法如下:
. 相对误差
. 平均相对误差
. 均方根误差
式中,pk代表第k个负荷采样点的预测值,yk代表第k个负荷采样点的实际值,n为短期负荷预测每日预测点的个数。
1.2母线负荷预测
作为系统区域级负荷的底层分布组成部分,母线负荷通常为由变电站的主变压器共给的终端负荷总和,其预测精度对于电网负荷调控、优化调度及精益化运行决策有着重要影响。与区域级宏观负荷特性不同,由于受供电区域内用户自身用电行为影响,母线负荷的负荷惯性较小,规律性较差,因此需要长时间尺度的海量历史负荷数据支撑预测模型的构建。
母线负荷预测方法一般以聚类、拟合等数理统计算法为理论基础,考虑到非线性特征及波动性明显,需采用人工智能算法构建预测模型。
利用Kears深度学习框架调整网络结构,避免了相似日等相关特征变量选取问题,实现了高精度自适应变电站负荷预测。
母线负荷预测模型性能评估具有其独立的评估度量体系,通常按照以下的母线负荷预测准确率RT为基准进行预测结果精度评价:
(4)
(5)
(6)
式中,RT代表当日母线负荷预测准确率,σK为时段t所有母线误差的均方根,en,t为单母线误差。
1.3居民住宅负荷预测
对于城市用电负荷而言,用户侧的居民住宅负荷占比较大,其主观性的差异与用电电器的多样性对城市电网运行时的应变能力与稳定性提出了较大的挑战。考虑到居民住宅具有集群效应,且独立用户间的家用电器种类与用电习惯不尽相同,一般依据自上而下的负荷预测思想,利用相关聚类算法对海量居民住宅负荷数据进行聚类划分后再建立差异化预测模型,避免海量数据预测效率较低的问题。
作为需求响应重要参与者,电力用户的住宅楼宇中拥有大量以可平移、可中断负荷形式存在的可调度需求响应资源,其参与电力系统削峰填谷的潜力巨大,居民住宅楼宇负荷分布如图1所示。通过对用户可调节负荷曲线精确预测,电力公司及负荷聚合商能够分析评估用电负荷需求响应潜力,通过分时电价引导用户参与需求响应。
图1 居民住宅楼宇负荷分布
考虑到电力市场改革与绿色电力蓬勃发展,充分考虑用户差异化的用电习惯、消费心理及当今电热气耦合模式,构建基于需求响应信号的LSTM超短期负荷预测模型,验证了此模型对于计及需求响应信号情况下的明显优势。
以需求响应为前提进行负荷预测并建立分布式电源与智能家电之间的新型供需互动模型,对未来智能电网的建设规划、深入挖掘用户侧参与需求响应的潜力、建立切实可行的新型源--荷互动模型、保障用电高峰期电网的安全高效运行等具有重要的理论和实践意义。
1.4低压配电台区负荷预测
低压配电台区主要为 35kV或 10kV配电变压器供电范围内的所有用户集合,其数量取决于配电变压器台数及其配电范围。典型低压配电台区负荷由同一配电台区内的居民用户负荷、工业负荷及商业负荷组成,一般而言,同一配电所内包含多个配电台区,台区负荷数量仅次于前文所述的用户住宅负荷。配电台区负荷预测旨在根据精准的预测结果指导相关配网工作、获取配电变压器裕度指标,进一步合理化安排检修计划,为实现事前预警、调配抢修资源奠定坚实基础,为提高台区供电可靠性与运行经济型提供保障。
由于配电台区具有较为明显的用电差异性,其负荷规律有较强随机性,单一预测模型的预测误差较大,多数负荷预测模型难以投入实际应用。
1.5综合能源系统负荷预测
作为能源互联网的物理载体,综合能源系统 (Integrated Energy System ,IES)集成多种形式的能量供应、转换和储存设备,实现不同类型能源在 源、网、荷、储等环节的耦合,促成多个能源系统间的互动互联与协同运行。
由于多类能源间的物理特性差异及耦合效应的必然存在,综合能源系统存在明显的负荷随机波动性,其负荷预测准确性大大影响系统优化调度与协调规划。综合能源系统负荷预测框架如图2所示。
图2 综合能源系统负荷预测框架
由从用户级综合能源系统入手,考虑到用户级存在负荷类型多、规模小、波动大等特性,作者结合多通道卷积神经网络与长短期记忆循神经网络构建 MCNN-LSTM 负荷预测模型,通过对电、热、气、冷等多个用户级基本负荷单元进行图像特征重构及融合,更好地挖掘各类型负荷间的潜在关系,避免混合型负荷造成的模型预测结果混杂影响, 同时组合神经网络的应用大大提高了预测精度。通过标签划分方法将负荷类型及其影响因素分别归纳至静态标签与动态标签,充分分析多元负荷间的相关性与变化趋势构建 CNN-LSTM负荷预测模型,依据标签内容针对性进行差异性预测,通过利用由电、热、气三类能源组成的区域级综合能源系统真实负荷数据进行训练,此模型能够较准确地预测三种能源耦合后的各自独立负荷情况,预测精度较高。
2基于智能算法的负荷预测模型
负荷预测发展初期主要以数学算法理论为建模基础,传统负荷预测将电力负荷数据看作时间序列数据加以处理,预测方法主要包括时间序列法、回归分析法、灰色预测法、卡尔曼滤波法等。当今发展态势下,电力负荷种类、数量及其外部影响因素不断增多,加之新能源发电占比增加带来的负荷端主动性荷被动不确定性增强,传统负荷预测模型难以满足新型电力系统的高要求。人工智能技术凭借其非线性拟合等能力,在负荷建模及预测、负荷优化等方面取得突破,基于人工智能技术的智能算法模型能够较好捕捉当今电力负荷的非线性特征,大大提高了负荷预测精度,成为当今负荷预测的主流模型。
2.1 单一预测模型
2.1.1 BP神经网络
BP神经网络一般具有输入层、隐含层及输出层三层网络结构,用于负荷预测时,历史负荷及 其影响因素进行数值量化后作为输入数据,在隐含层内经过激励函数的拟合处理,多次循环、迭代误差反向传输过程,以此减小网络训练结果与已知实际真实值之间的误差,最终由输出层得到预测结果。BP神经网络拓扑结构图如图3所示。
图3 BP神经网络拓扑结构
其中wi 、wj 分别代表输入层与隐含层间的权重、隐含层与输出层间的权重,X代表输入量,y 代表神经网络的输出量,Y代表数据真实值,E代表真实值与预测值之间的差值。
与传统的算法相比,BP神经网络具有更好的模型泛化能力与非线性映射能力,其柔性的网络结构使之成为应用为广泛的人工神经网络之一。
传统BP神经网络具有训练速度慢、易陷入局部极小值、易出现过拟合等缺点,应用于负荷预测时,常通过加入遗传算法、粒子群优化算法等对其网络内部各层权值及阈值进行优化,有效提高BP神经网络训练精度与可靠性。
考虑到过多历史负荷数据的输入将大大增加神经网络预测模型的复杂度,随机分布式嵌入框架及BP神经网络的负荷预测模型,采用核密度估计法拟合多个预测结果,通过聚合估计法得出负荷最终预测值,有效改善数据维度对BP神经网络预测精度的影响。
2.1.2 传统循环神经网络
BP 神经网络的三层网络结构为全连接,且层间节点相互无连接,因此难以体现先后输出数据的关联关系。循环神经网络( Recurrent Neural Network ,RNN)在BP神经网络的基础上,为隐含层各节点提供前序连接与后序连接,用以记录前序信息并将其应用于后序输出计算中。RNN 网络拓扑结构图如图 4 所示。
图 4 RNN 网络拓扑结构
考虑到RNN隐含层的基本循环体单元较多, 对多个循环体单元的权值进行 Xaier 初始化, 以保证初始权值的可靠性,进而利用随机梯度下降算法优化的多尺度循环神经网络RNN进行短期负荷预测。通过具有自适应能力的指数加权 平均调整方案进行数据插值,以减少量测数据准 确性对 RNN 模型负荷预测结果的影响。
由于RNN具有短时记忆特性,难以保证时间跨度较大的负荷序列信息传递的准确性。同时随 着多层循环训练, 内部梯度不断减小,RNN 容易出现梯度消失和梯度爆炸等问题,因此 RNN 并不适用于长时间序列训练。
2.1.3 长短期记忆神经网络
传统循环神经网络的内部循环单元结构无法 传递前序特征信号与后序特征信号的函数关系, 为此基于循环神经网络改进所得长短期记忆神经 网络(Long Short-Term Memory ,LSTM),其网络拓扑结构如图5所示。
LSTM 保留了RNN基本结构中相邻时间节点的隐含层传递关系,在循环体内部更新加入遗忘 门、输入门和输出门,对前序信息进行记忆、提取并筛选,进一步增强后续特征信号与前序特征信号间的关联程度,有效解决传统 RNN在长时间序列训练时出现的梯度消失与梯度爆炸问题。
图 5 LSTM网络拓扑结构
2.1.4 门控循环单元
门控循环单元(Gated Recurrent Unit ,GRU)为长短期记忆神经网络单元的简化变体,其将LSTM循环体内部的遗忘门与输入门合并为更新门,将输出门替换为重置门,有效对前序信息进行记忆或遗忘,可以同时兼顾电力负荷序列的时序性与非线性,大大减少了参数数量,降低了网络训练难度。
图 6 GRU 网络拓扑结构
考虑到单一的GRU网络在处理非连续性长时间序列时难以对序列特征做差异化区分,利用谱聚类算法对用电负荷进行聚类划分,通过模型融合算法动态调节多种GRU模型在整体预测模 型中的权重,动态融合浅层、深层及多层叠加的各类 GRU网络,提高聚类划分下GRU预测模型 的预测精度与泛化能力。
为减少单一GRU模型存在的长时间序列信息丢失问题,在GRU负荷预测模型中加入 注意力(Attention)机制模块,提高对负荷序列关 键特征的捕捉能力,进一步减小负荷序列长度对 预测精度的影响。对历史电力负荷进行经验模态分解,构建EMD- GRU-Attention 混合预测模型,较好地捕捉了负荷数据的时序性与复杂非线性关系。 此外,GRU- Attention 预测模型也较为广泛地应用于具有强耦合性质的综合能源系统冷、热、电负荷的预测中,借助多任务学习中的权重共享机制提取不同类型负荷间的耦合信息,进一步提高大波动下单一负荷预测精度。
2.1.5 卷积神经网络
考虑到循环神经网络无法提取序列的空间特征,研究学者提出依靠卷积神经网络模型提取序列的时间特征与空间特征。卷积神经网络(Convolution Neural Networks ,CNN)在 BP 神经网络结构基础上将隐含层替换为卷积层与池化层, 高维电力负荷相关数据进行预处理后经输入层输入网络模型,经卷积层的卷积计算提取不同数据间的关联特征,经池化层池化后实现特征值筛选与降维,从而减少系统需要优化的参数数量, 降低了人为提取特征带来的预测误差。CNN网络拓扑图如图7所示。
图 7 CNN 网络拓扑结构
传统卷积神经网络具有较强的非线性映射能 力及图像特征提取能力,用于负荷预测时可将负荷数据及相关影响因素进行图像化排列,充分发挥CNN在网络训练中的自学习、自适应优势, 通过提取图像数据关键特征来减小CNN处理序列数据时出现的过拟合问题。
卷积时间网络在处理长时间序列时常存在视 野区间有限、难以提取全部时序特征等问题, 针对此问题,在传统CNN基础上引入扩张卷积、因果卷积及残差网络,构成具有更强时序特征捕捉能力的时序卷积神经网络(TCN)负荷预测模型,通过对小型综合能源系统负荷数据进行分析预测,验证了此改进卷积神经网络模型具有更高特征辨识能力及稳定性。
2.1.6 图神经网络
图神经网络(Graph Neural Networks ,GNN)主要包括图卷积神经网络、图记忆力网络等,是一种新兴的专门处理图数据的神经网络模型,其具备同时挖掘节点内特征信息与节点间的相关性信息的能力,在负荷预测领域能够较好地捕捉负荷序列的时间连续性与空间关联性。利用图神经网络进行负荷预测时,需将历史负荷数据进行预先聚类处理,利用同族负荷数据的时间序列特征与空间关联性特征构建局部时空图,利用图聚合函数将自身特征信息与相邻节点特征信息进行聚合,将最终信息平均值输入至神经网络。神经网络一般预测流程如图8所示。
图8 图神经网络网络拓扑结构
利用 K-means 聚类算法将用电集群进行分组,将每组用户聚合的负荷序列作为节点特 征,建立面向用户集群负荷预测的图结构数据,构建并训练自适应时空同步图卷积神经网络模型,充分挖掘居民用电负荷的时空关联性,通过提取图像特征提高预测精度,但由于图神经网络捕获时间依赖关系的能力有限,预测精度仍有待提升。为进一步提高 GNN的时间特征提取能力,利用图神经网络与循环神经网络组合模型进行配电网负荷时空预测,其中,利用图卷积网络捕获电力网络的拓扑结构、获得空间依赖性,利用门控递归单元捕捉负荷信息的动态变化、获取时间依赖性,发挥两种神经网络自身特性,提高时空两维负荷预测的准确性。
2.2 组合预测模型
一直以来,高稳定性和准确度都是负荷预测模 型训练所追求的目标,但单一的模型算法往往存在自身固有缺陷,仅仅凭借调整算法内部参数难以减弱甚至消除缺陷所带来的结果误差。当今,以参数耦合方式、流程组合方式、算法融合方式为基本构成的组合模型在负荷预测领域逐步兴起,较好地结合各个单一负荷预测模型的自身特长,改善因单一模型自身固有缺陷导致的预测精度受限问题。
2.2.1 CNN-LSTM 模型
卷积神经网络可以较好地提取长时间序列的空间特征,但难以准确地提取出序列的时间特征,长短期记忆神经网络凭借其记忆功能能够准确提取序列时间特征信息,但自身短时记忆的固有缺陷容易丢失序列信息。因此,单一CNN与LSTM负荷预测模型在面对多维负荷数据序列常出现多维特征信息提取不充分、序列信息结构混乱等问题。
CNN-LSTM 组合模型可由 CNN 层提取序列空间特征,负荷序列经 CNN 处理后输入LSTM进行时序特征提取并进行负荷预测,充分集成 CNN与LSTM 两类神经网络模型的固有优势,有效减少单一模型在预测方面体现出的序列丢失、时序特征捕获问题。CNN-LSTM 模型网络拓扑结构如图9所示。
图9 CNN-LSTM 模型网络拓扑结构
CNN-LSTM 预测模型在综合能源系统负荷预测、居民住宅负荷预测等方面应用广泛,其较强的时空特征捕捉特性能够差异化跟踪综合能源系统及居民住宅内各类负荷变化情况,有效提高具有耦合性质的独立负荷预测精度。进一步研究了居民住宅内家用电器的能耗情况,通过对电热水器与变频空调的能耗监测与预测,表明 CNN-LSTM 组合模型可以 很好地预测住宅内能耗占比较大的家用电器使用情况。
在系统区域级负荷预测方面,运用 CNN 充分提取各分量的潜在特征并作为 LSTM 网络输入对各分量进行预测,明显缩短负荷预测时间,有效提升负荷预测精度。由于传统 CNN- LSTM 模型只在结构上实现两个单体网络的顺序链接,为进一步提高训练性能,在整体结构上,可引入时序注意力机制及通道注意力机制来强化负荷序列特征提取能力;在单一网络上,可建立具有双向递归反馈的双向长短期记忆循环网络 BiLSTM,利用给 L1正则化对特征数据进行特征筛选后通过CNN-BiLSTM模型进行负荷预测,进一步增强模型预测性能。
2.2.2 CNN-GRU 模型
门控循环单元GRU简化了LSTM的内部单元结构,在保证较高预测精度的同时可有效缩短模型的训练时间,因此更适用于负荷预测领域。使用GRU网络虽然可以考虑时序性数据的历史规律,但是需人工构造特征关系,不能充分挖掘非连续特征在高维空间中的联系,因此考虑结合其他网络以提升对负荷特征的挖掘能力。与CNN-LSTM 模型相比,CNN-GRU 模型结构更为简单,大大缩减了循环单元的参数数量与网络训练时间,进一步增强了时空关联特征提取能力。
对负荷数据进行 k-means 聚类划分后, 采用 CNN 网络提取特征与负荷因素在高维空间的 联系,构造时序序列的特征向量并输入到三层GRU网络中,通过训练 GRU 网络输出负荷预测值, 此模型在保持较快训练速度的同时,具有较高的预测精度。基础上引入Attention 机制,通过映射加权和学习参数矩阵赋予 GRU 隐含状态不同的权重,以此减少序列信息的遗忘丢失,与未加 Attention 机制的预测模型相比,预测误差明显减小。在 GRU网络基础上建立双向门控循环单元BiGRU,对负荷数据特征进行特征初筛后,通过经贝叶斯算法优化的CNN-BiGRU 模型进行预测,此模型得到的负荷曲线更加平滑,峰谷预测值及变化趋势更加接近真实值,预测精度较高。
2.2.3 RNN-ResNet 模型
高维的电力系统负荷数据通常需要结构复杂、层数较多的神经网络进行训练,以此提高负荷特征提取的完整性与预测结果的准确性。由于神经网络层数叠加及多种神经网络耦合互联,面对高维度海量数据时模型训练速度较慢,且当训练达到一定次数与深度时,卷积神经网络、循环神经网络等将出现精度饱和甚至下降的“模型退化现象"。深度残差网络(Residual Network ,ResNet)由多个残差块堆叠而成,其内部的残差块结构不会增加网络模型参数数量与计算复杂度,可以有效缓解其他神经网络的训练速度慢及模型退化问题, 因此深度残差网络已被用于组合神经网络负荷预测模型中配合其他循环神经网络进行数据训练,其组合模型网络拓扑结构如图10所示。
图 10 RNN-ResNet 模型网络拓扑结构
综合上述分析,经过长时间的发展,电力系统短期负荷预测技术更加趋于智能化,预测模型越发复杂,预测精度随之不断提高。虽然已经存在较为成熟的短期负荷预测理论,但随着新型电力系统的发展,传统的负荷预测理论已难以满足当前环境下对于负荷预测的要求,提出预测精度 更高、预测过程更稳定、泛化能力更强的电力系统短期负荷预测模型仍为当前的重要研究方向。
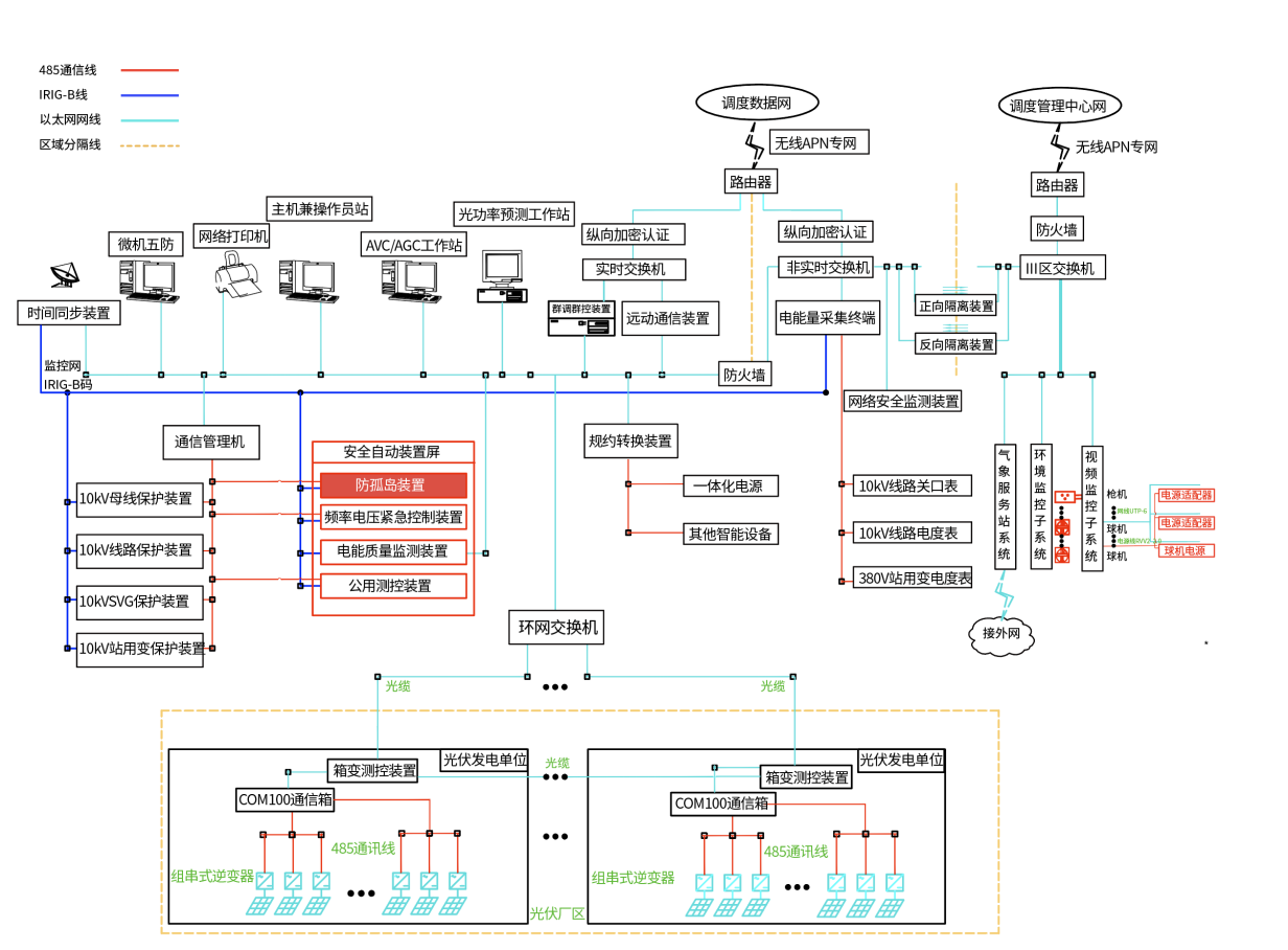
3安科瑞光储充一体化方案
安科瑞为新能源工程包括分布式光伏、储能、充电站提供软硬件一体化解决方案,图11为一个包含分布式光伏、储能、汽车充电站和传统用电负荷组成的新型10kV配电网,由10kV开闭所、10kV并网分布式光伏系统、10kV并网储能系统、电动汽车充电站以及其它负荷组成。
图11 安科瑞分布式光伏、储能、充电桩的10kV配电系统
图12 分布式光伏电站综合自动化系统结构
光伏监控系统需要使用相关保护、测控、稳控、分析及数据安全和通讯设备,典型的分布式光伏电站并网系统需要用到的二次设备如下表所示。
设备名称 | 图片 | 型号 | 功能 | |||||
安全自动装置屏 |
| AM5SE-IS防孤岛/防逆流保护装置 | 安装在并网柜,当外部电网停电后跳开并网断路器,断开分布式电源和电网连接;当安装在公共连接点时具备防逆流监测和保护功能 | |||||
| APView500PV电能质量在线监测装置 | 安装在并网柜,对光伏发电侧侧电能质量进行监测,主要包括:电压偏差、频率偏差、2-63次谐波、0.2-62.5次间谐波、直流分量、电压波动、电压闪变等稳态数据;电压暂降、电压暂升、短时中断。 | ||||||
| AM6-FE频率电压紧急控制装置 | 实现低周减载、低频解列、过负荷联切等功能,保障电网稳定。 | ||||||
远动通讯屏 | / | 多合一数据加密采集装置 | 提供AGC/AVC、数据采集、数据加密、远动及无线通讯,与调度进行数据对接 | |||||
| ANet-4E16S远动装置 | 数据通过104协议上传调度 | ||||||
/ | 以太网交换机 | 本地数据的通讯组网 | ||||||
/ | 北斗对时时钟 | 按照用户输出符合规约的信息格式,完成同步授时服务 | ||||||
分散安装 保护测控装置 |
| AM5SE-C SVG保护装置 | 具有两段式定时限过流保护,反时限保护,欠电压保护,过电压保护等功能对电容器进行保护 | |||||
AM5SE-F线路保护测控装置 | 具有三段式过流保护,重合闸,过负荷告警、跳闸,过电压告警、跳闸等功能对线路进行保护 | |||||||
AM5SE-T升压变保护测控装置 | 具有三段式过流保护,两段零序过流保护,过负荷保护,高温超温保护,瓦斯保护等保护功能 | |||||||
Acrel-2000MG微电网能量管理系统具有完善的电池管理功能和丰富的外部通信接口,可实现对储能系统、充电系统、光伏系统等智能设备的运行信息实时监控,包括对储能系统内电压、电流、温度、压力、流量等信息采集、实时监视、优化管理、智能维护及信息查询功能。具备新能源消纳、峰谷套利、防逆流、需量控制、柔性扩容、限电模式等多种控制策略,保障储能系统安全稳定、智能运行。
设备名称 | 图片 | 型号 | 功能 |
防孤岛/防逆流保护装置 |
| AM5SE-IS防孤岛/防逆流保护装置 | 安装在并网柜,当外部电网停电后跳开并网断路器,断开分布式电源和电网连接;当安装在公共连接点时具备防逆流监测和保护功能 |
电能质量监测装置 |
| APView400电能质量监测装置 | 对并网柜电能质量进行监测,主要包括:电压偏差、频率偏差、2-63次谐波、0.2-62.5次间谐波、电压波动、电压闪变等稳态数据;直流分量、短时中断;电压瞬态、电流瞬态。 |
智能仪表 |
| APM520 | 具有全电量测量,谐波畸变率、电压合格率统计、分时电能统计,开关量输入输出,模拟量输入输出。 |
直流电能表 |
| DJSF1352-RN | 可测量直流系统中的电压、电流、功率以及正反向电能等,配套霍尔传感器(可选)。 |
霍尔传感器 |
| AHKC-EKA | 测量DC0~(5-500)A电流,输出DC4-20mA,工作电源DC12/24V。 |
直流绝缘监测 |
| AIM-D100-TH | 监测直流系统绝缘状况 |
智能网关 |
| ANet-2E4SM | 边缘计算网关,嵌入式linux系统,网络通讯方式具备Socket方式,支持XML格式压缩上传,提供AES加密及MD5身份认证等安全需求,支持断点续传,支持Modbus、ModbusTCP、DL/T645-1997、DL/T645-2007、101、103、104协议 |
储能控制单元 |
| ANet-ESCU | 适用于储能一体柜(箱)的EMS装置,可用于磷酸铁锂电池、全钒液流电池等储能本体,对接电池管理系统(BMS)、储能逆变器(PCS)、电量计量、动力环境、消防储能柜内数据的统一采集、存储。其具备监视控制、能量协调、联动保护、经济优化增效等功能。 |
协调控制器 |
| ACCU-100 | 具备智能网关数据采集、协议转换、存储等功能之外,还具备新能源的使用策略控制功能,可以按照预设的逻辑控制光伏出力、储能充/放电、充电桩充电控制以及负荷调节等功能,并与云端平台进行交互,响应云端策略配置。 |
储能柜能量 管理系统 | Acrel-2000ES | 针对0.4kV分布式储能柜的能量管理,包括充放电策略控制、运行状态监测、电池信息管理以及故障报警。 | |
微电网能量 管理系统 | Acrel-2000MG | 对企业微电网的源(市电、分布式光伏、微型风机)、网(企业内部配电网)、荷(固定负荷和可调负荷)、储能系统、新能源汽车充电负荷进行有序管理和优化控制,实现不同目标下源网荷储资源之间的灵活互动,增加多策略控制下系统的稳定运行。 | |
4结束语
综上所述,随着新型电力系统稳步发展与负荷预测技术日益先进,面对当今负荷预测研究面对的问题与挑战,需着力推进负荷预测模型综合化、精准化发展,高效提升以人工智能为基础的预测模型泛化能力与自调节能力。同时,在保证负荷预测精准度前提下开展柔性可控负荷参与电网优化调度方面的研究也在逐步展开,综合考虑多指标下的可控负荷响应与互动潜力,构建负荷可调潜力评估指标体系与可控负荷预测模型,为电网开展需求响应潜力分析及调峰调度工作提供参考性建议与合理化策略,缓解用电高峰时段下的供电压力,逐步实现源网荷协调、平衡发展。
参考文献:
. 杨佳泽,王灿,王增平.新型电力系统背景下的智能负荷预测算法研究综述
[J/OL].华北电力大学学报(自然科学版).
. 徐岩,向益锋,马天祥. 基于 EMD-CNN-LSTM 混合 模型的短期电力负荷预测[J]. 华北电力大学学报(自然 科学版),2022,49(2):81-89.
. 安科瑞企业微电网设计与应用手册2020.06版.
[4] 安科瑞用户变电站变配电监控解决方案2021.10.